三分頻音箱、未來高檔專業娛樂音箱的主流
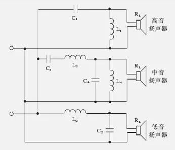
三分頻音箱是指由高、中、低音或中低、中高、超高音等不同頻響特性的喇叭單元組裝而成的全頻帶音箱。箱體內部有分頻器,對應著高、中、低等單元進行分頻。一般這種音箱在HI-FI級別常見,針對不同單元的頻率特性對其進行分頻會使音樂更加富有層次感。
自從人類發明喇叭以來,人們經歷了從單只喇叭聽(放)音到兩只甚至更多喇叭聽(放)音的一個過程。
在長期的研究實踐當中,人們發現:一個喇叭所能重放的聲音頻帶受其震膜(紙盆)口徑的限制,口徑大的喇叭聲音往低處沉,口徑小的喇叭聲音往中高音飚、口徑不大不小的喇叭聲音在中間頻帶,即俗稱的中音。
為了讓一個音箱能相對真實自然地重放50Hz~20KHz的全頻帶聲音,人們只有采用一個低音喇叭和一個高音喇叭來組裝音箱,使音箱的響應頻率拓寬、表現力更強。

經過實踐,人們發覺兩只喇叭合裝在一個箱子里雖然也能發出聲音,但是由于兩個喇叭特性(頻響、阻抗、靈敏度)不同,簡單的合用不能有效地協調兩種(個)不同的喇叭單元的工作,不能使聲音和諧自然。
為了喇叭之間能和諧工作,發揮其最大能量并使之表現力更強,同時讓音箱發出的聲音更真實自然,于是人們根據電學、力學的原理,在電能轉換電路上加入一些能改變喇叭效能和協同喇叭工作的元器件,并由此提出了應用至今的“分頻技術”。

分頻技術看似簡單,其實不然。雖然是簡單的幾個元器件組合,但卻溶入了電學、力學、聲學等多門學科的理論和技術。
而所有的這些僅僅是分頻技術的入門基礎,想要做出合理的分頻器,還必須配合箱體和喇叭單元的特性,并將心理學、哲學、物理學等學科的知識溶入其中。

因此,音箱的功率分頻技術至今仍是音箱設計生產中最重要的技術之一。
時至今日,音箱的功率分頻技術已十分成熟。人們從早期的單只喇叭不分頻的階段,過度到兩分頻、三分頻、分頻的高層次水平,而分頻電路上還派生了“單階、雙階、三階、四階”的分頻技術。

以專業音箱為例,就有雙喇叭兩分頻、三喇叭兩分頻,還有五喇叭兩分頻、三喇叭三分頻、四喇叭三分頻、五喇叭三分頻等等。分頻技術在人們的實踐實用中得到不斷的改進提升、不一而足。
音箱的分頻設計是一個取舍的過程,只有精確合理地取精去糟、舍取有道,才能獲得合理的平衡曲線,以及精密合理的相位銜接,最終才能有效地控制喇叭使之安全地工作,使音箱的聲音更好聽。
那么,為什么說三分頻是“未來專業娛樂音箱的主流”和“專業KTV高檔次的標志”呢?
首先,從分頻技術的特點、作用和意義、成本、難度說起。
分頻技術的作用和意義在于協調不同特性的喇叭單元的工作,起到“分工、協調、修(校)正、優化、提升”的作用,使不同特性的喇叭都在安全合理的狀態下發揮各自的優勢,并發出人們所喜聞樂見的好聲音。

因此,建立在正確理論技術之下的合理的分頻電路,越多階、多頻段的分音(頻),其等效電路就越均衡,分頻板對喇叭單元的控制力也越強,同時越能得到其理想的頻響特性,音箱的曲線被修正、提升、優化的機率就會更高;而修正、優化、提升的手段越多,音箱的安全系數就越高,品質特性也就有可能更優秀。

多頻段分頻(音)及多階分頻的情況下,喇叭單元的一些能量可能被削弱、消減,但是卻使其之頻響特性得到更合理的修正、優化。
通過削弱消減個別喇叭的局部能量、局部特性來優化提升整體所有喇叭單元的特性,從而提升音箱品質、特性,使之性能更優越,使音箱的聲音還原更真實、自然。
行業有句行話:“多一個香爐多個鬼”,講的就是每多一種單元、多一階分頻,就多一份設計調校難度、多一份成本。
但是只要技術和理論能得到正確支持,喇叭選取正確,那么多一種喇叭、多一階分頻就會多一份優勝。
在實用中,三分頻音箱一定會比兩分頻音箱優勝。當然,前提是音箱的設計生產者必須具備正確的理論、高深的技術和多年的經驗。

在功率、頻響曲線平衡度、頻響寬度以及靈敏度這四項科學硬指標方面,三分頻音箱可以設計得比兩分頻音箱更加優勝。
在實用過程中,以下四項客觀科學指標有著舉足輕重的實際意義:
?功率大的音箱比小功率的音箱更穩定耐用。
?靈敏度高的音箱更容易推響,失真率更低,功率消耗量相對更低。在功放同等功率輸出的狀態下,靈敏度高的音箱更響亮,聲壓級會更高,功率大靈敏度又高的音箱可以獲更大的最大聲壓級。
?頻響寬、曲線平衡的音箱聲音還原度不受制約,而且比頻響窄的音箱表現力更強,聲音相對更真實自然。
?功率大、靈敏度高、頻率響應寬、頻響曲線平的音箱比功率相對小、靈敏度相對低、頻響相對窄、曲線平衡度相對差的音箱,在實用中有絕對的優勢。
功率大且靈敏度高、頻響寬又曲線平衡的音箱,是所有音箱設計者夢寐以求的“上品”。而能實現這樣境界指標的,目前也非三分頻音箱莫屬。
三分頻音箱雖然設計生產難度大、成本高,但是它在實用中的優勢盡顯無遺。因此,在工程技術人員追求卓越、尋求突破、玩家們觀念改變、欣賞水平越來越高、追求卓越效果的年代,三分頻音箱逐漸成為專業音箱的主流、KTV檔次高的重要標志,是順理成章、理所當然的時代變革所需。
|